کیفیت، دوام و راندمان حرارتی بالا را در طراحی حرفهای رادیاتورهای صنعتی تجربه کنید.
رادیاتورهای صنعتی روغن
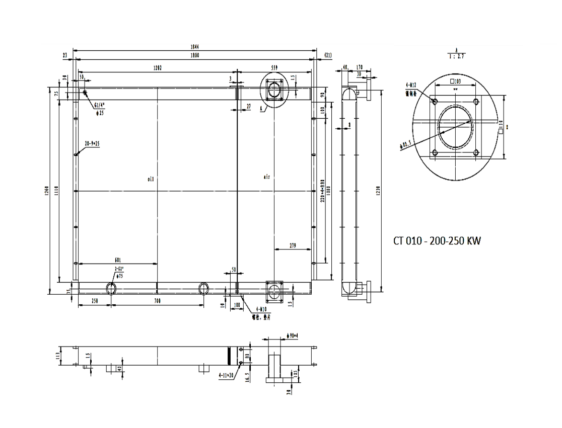
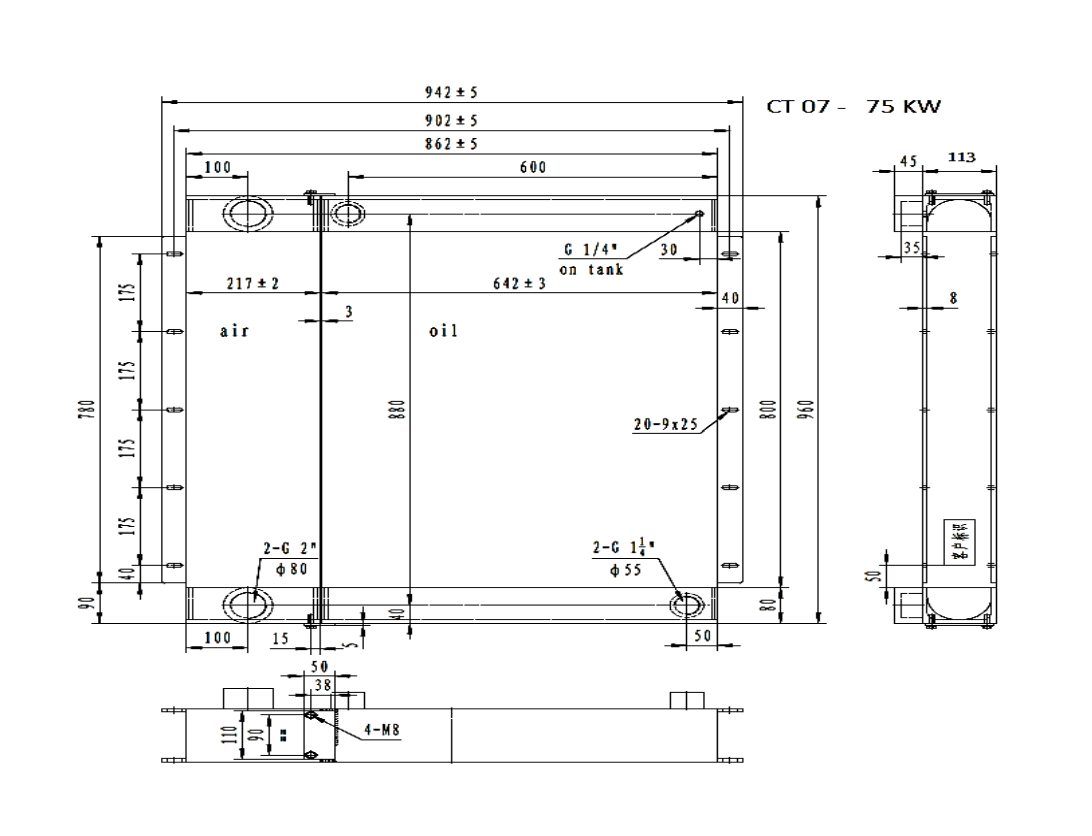
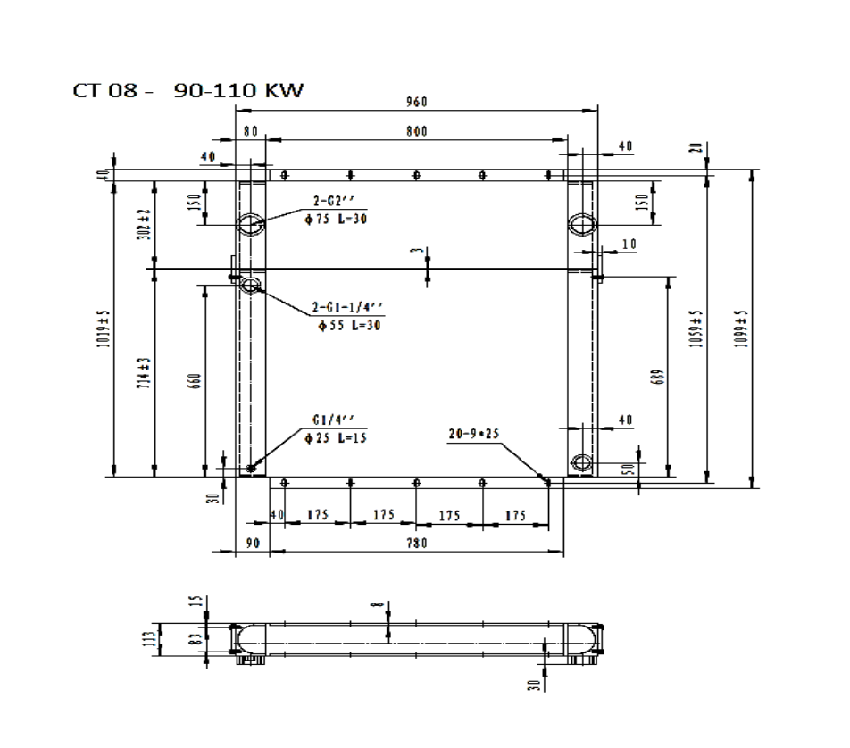
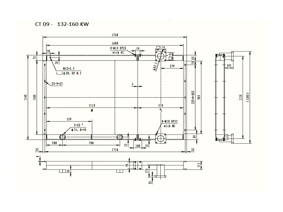
مجموعه رادیاتورهای صنعتی روغن — طرح EMMEGI
رادیاتورهای صنعتی روغن یکی از مهمترین اجزای سیستمهای خنککاری در کمپرسورهای اسکرو، واحدهای هواساز و پاورپکهای هیدرولیک هستند. طراحی این مجموعه با الهام از استانداردهای ساخت شرکت Emmegi ایتالیا انجام شده تا در عین حفظ تطبیق ابعادی، راندمان حرارتی و دوام مکانیکی بسیار بالایی ارائه دهد.
ویژگیهای طراحی و ساخت
- ساختار فینهای آلومینیومی آنودایز شده: به حداکثر رساندن تبادل حرارت در جریان متراکم هوای روغنی و افزایش مقاومت در برابر اکسیداسیون و خوردگی.
- منهفولدهای آلیاژی فشاربالا: تحمل فشار کاری تا 20 bar برای گردش روغن در سیکل خنکسازی کمپرسور.
- قاب محافظ فولادی یا آلومینیومی با پوشش الکترواستاتیک: محافظت در برابر ضربه و ارتعاش در محیطهای صنعتی.
- اتصالات رزوهای/فلنجی استاندارد ISO: سازگار با کمپرسورهای اروپایی و آسیایی شامل Atlas Copco، Ceccato، ELGi، Fusheng و سایر برندهای معادل.
- گزینههای نصب افقی و عمودی: برای کاربرد در شاسیهای کمپرسور، بستر پاورپک و واحدهای یونیت خنککاری مستقل.
عملکرد حرارتی و مزایای فنی
- راندمان انتقال حرارت بالا: طراحی سطح مؤثر فینها بر اساس مدلهای Emmegi باعث افزایش ۱۰ تا ۱۵٪ بهره حرارتی نسبت به نمونههای متداول بازار میشود.
- پایداری دمای کاری روغن: حفظ دمای روغن در محدوده عملکرد ایدهآل (۶۵ – ۸۵ °C) جهت جلوگیری از افت ویسکوزیته و افزایش عمر مجموعه.
- کاهش افت فشار جریان روغن: هندسه داخلی کانالها به گونهای طراحی شده که جریان نرم و یکنواخت را تضمین کند و از کاویتاسیون جلوگیری شود.
- نگهداری آسان و قابلیت شستشو: فینهای باز و فاصله مناسب بین لایهها تمیزکاری دورهای را بدون نیاز به دمونتاژ کامل امکانپذیر میکند.
دامنه کاربرد
این رادیاتورها برای استفاده در:
- کمپرسورهای اسکرو روغنی،
- سیستمهای خنککاری روغن هیدرولیک،
- واحدهای انتقال حرارتی Powerpack،
- ایستگاههای مرکزی هوای فشرده صنعتی
طراحی و بهینهسازی شدهاند. ساختار آنها کاملاً با ابعاد و فرم فنی مدلهای Emmegi Oil Cooler سازگار است، بنابراین نصب و جایگزینی آنها در پروژههای توسعه یا تعمیرات بدون نیاز به تغییر شاسی انجام میشود.
رادیاتورهای صنعتی روغن با طرح ایتالیایی EMMEGI برای مصارف پرتکرار صنعتی طراحی شدهاند و به لطف بالانس دقیق مسیرهای حرارتی، فرآیند توزیع دما یکنواختتری نسبت به نمونههای داخلی دارند. این مجموعهها در بخش تعمیرات و تأمین «ایران کمپرسور صادق» با دقت نقشهبرداری ابعادی و تست فشار هر واحد به مشتری تحویل داده میشوند.
گالری قطعات و تجهیزات مرتبط
با ما در ارتباط باشید
ما آمادهایم تا به تمام پرسشها و نیازهای شما در زمینه تأمین تجهیزات و خدمات هوای فشرده پاسخ دهیم. اطلاعات خود را وارد کنید تا کارشناسان ما در سریعترین زمان با شما تماس بگیرند.









